PRODUCT CATALOG
GET IN TOUCH
We are looking forward to answer your questions and help you with your request.
SHARE
DESCRIPTION
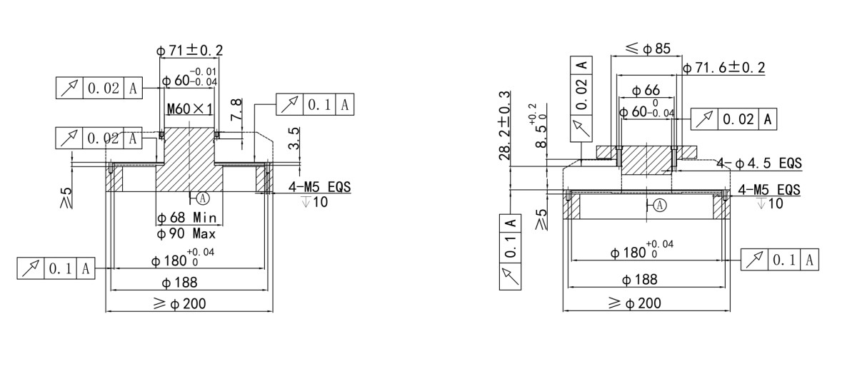
Dimensions

Mechanica linstall ation requirements

[1]: The primary installation should ensure the height difference between the diameter jump, end jump, and the installation steps of the stator and rotor. The installation indicator light is only for auxiliary installation reference, and the light color is not the first reference index. The gap value is subject to actual measurement.
GAT A QUOTE
INQUIRY NOW