PRODUCT CATALOG
GET IN TOUCH
We are looking forward to answer your questions and help you with your request.
SHARE
DESCRIPTION
Dimensions

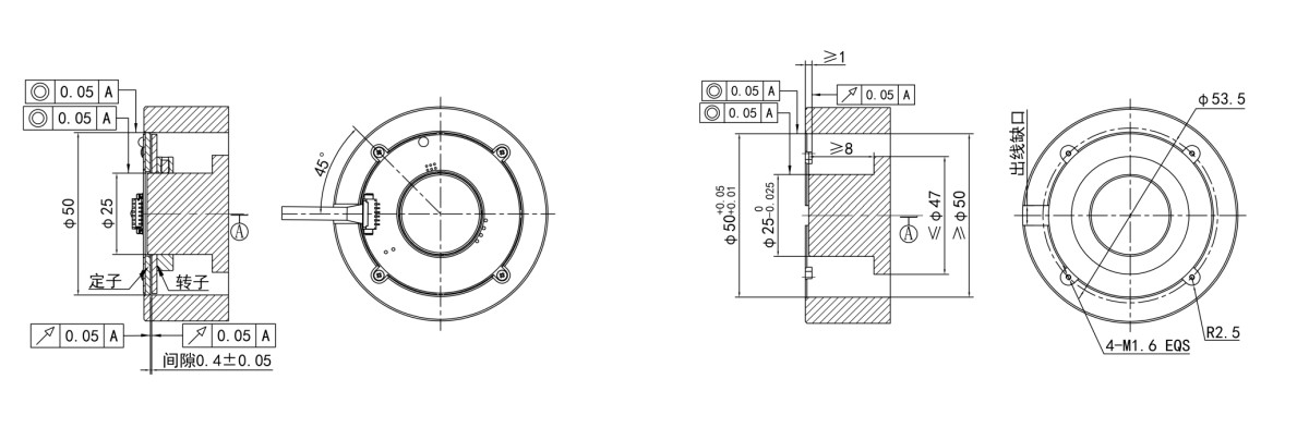
Mechanica linstall ation requirements

Description of order number
[1]: Viewed from the time grid stator to the rotor, when the rotor rotates clockwise, the angle increases, that is, the clockwise direction; when the rotor rotates counterclockwise, the angle value increases, that is, the counterclockwise direction.
GAT A QUOTE
INQUIRY NOW